
氧氣球閥是氧氣管網專用閥門的一種.它除了具有普通球閥功能外還具有阻燃性好,導電性能好,傳熱快,結構緊湊,防油,安全可靠等特點.隨著冶金工業的發展.氧氣專用球閥與氧氣專用截止閥一起被廣泛應用于鋼鐵,冶金,醫藥,化工等行業。
|
|
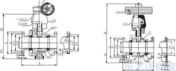
QY347F蝸輪氧氣球閥 | QY641F氣動氧氣球閥 |
氧氣球閥 性能規范
公稱壓力 | 1.6 | 2.5 | 4 |
水壓強度試驗壓力Mpa | 2.4 | 3.75 | 6 |
水壓密封試驗壓力Mpa | 1.76 | 2.75 | 4.4 |
氣壓強度試驗壓力Mpa | 1.76 | 2.75 | 4.4 |
氣壓密封試驗壓力Mpa | 1.76 | 2.75 | 4.4 |
最大工作壓力Mpa | 1.6 | 2.5 | 4 |
工作溫度 | -20~150℃ | ||
適用介質 | 氧氣,氮氣,空氣等 | ||
氧氣球閥 主要零件材料
零件名稱 | 殼體 | 球體 | 閥桿 | 手柄 | 墊片,填料密封圈 |
材料 | 16-4硅黃銅 | 不銹鋼或銅合金 | 不銹鋼 | 碳鋼 | 聚四氟乙烯 |

氧氣球閥 主要外形尺寸
公稱壓力 | 公稱直徑DN(mm) | D | D1 | K | L | F | F1 | C | Z-d | H | H1 |
1.6 | 125 | 245 | 185 | 210 | 381 | 3 | / | 20 | 8-φ18 | 252 | 195 |
150 | 280 | 210 | 240 | 403 | 3 | / | 24 | 8-φ23 | 272 | 215 | |
200 | 335 | 295 | 295 | 502 | 3 | / | 26 | 12-φ23 | 342 | 295 | |
250 | 405 | 320 | 355 | 568 | 3 | / | 30 | 12-φ25 | 495 | 335 | |
300 | 460 | 375 | 410 | 648 | 4 | / | 30 | 12-φ25 | 580 | 385 | |
350 | 520 | 435 | 470 | 762 | 4 | / | 34 | 16-φ25 | 625 | 430 | |
400 | 580 | 485 | 525 | 838 | 4 | / | 36 | 16-φ30 | 720 | 470 | |
450 | 640 | 545 | 585 | 914 | 4 | / | 40 | 20-φ30 | 800 | 560 | |
2.5 | 125 | 270 | 188 | 220 | 381 | 3 | / | 28 | 8-φ25 | 252 | 195 |
150 | 300 | 218 | 250 | 403 | 3 | / | 30 | 8-φ25 | 272 | 215 | |
200 | 360 | 278 | 310 | 502 | 3 | / | 34 | 12-φ25 | 342 | 295 | |
250 | 425 | 332 | 370 | 568 | 3 | / | 36 | 12-φ30 | 495 | 335 | |
300 | 485 | 390 | 430 | 648 | 4 | / | 40 | 16-φ30 | 580 | 385 | |
350 | 550 | 448 | 490 | 762 | 4 | / | 44 | 16-φ34 | 625 | 430 | |
400 | 610 | 505 | 550 | 838 | 4 | / | 48 | 16-φ34 | 720 | 470 | |
450 | 660 | 555 | 600 | 914 | 4 | / | 50 | 20-φ34 | 800 | 560 | |
4 | 125 | 270 | 188 | 220 | 381 | 3 | 4.5 | 28 | 8-φ25 | 252 | 195 |
150 | 300 | 218 | 250 | 403 | 3 | 4.5 | 30 | 8-φ25 | 272 | 215 | |
200 | 375 | 282 | 320 | 502 | 3 | 4.5 | 38 | 12-φ30 | 398 | 295 | |
250 | 445 | 345 | 385 | 568 | 3 | 4.5 | 42 | 12-φ34 | 495 | 335 | |
300 | 510 | 408 | 450 | 648 | 4 | 4.5 | 46 | 16-φ34 | 580 | 385 | |
350 | 570 | 465 | 510 | 762 | 4 | 5 | 52 | 16-φ34 | 625 | 430 | |
400 | 655 | 535 | 585 | 838 | 4 | 5 | 58 | 16-φ41 | 720 | 470 | |
450 | 680 | 560 | 610 | 914 | 4 | 5 | 60 | 20-φ41 | 820 | 560 |




